- 2025/07/17
- 院長室
いよいよアンプづくりです、まず2石で作りましょうか
基本はエミッタ接地回路で2-3倍に電圧増幅して、それをエミッタフォロアで電流を供給できるようにしてスピーカーを鳴らしましょう

これが今まで勉強した回路ですね、つないだだけです。さてC1のコンデンサはどうしましょう、R1からR5までを自分で試行錯誤して作ってみて下さい。どんな音がするでしょうか?ちゃんとできればそこそこいい音がするはずです。できれば1個ではなく2個作って左右のステレオで聞いてみて下さい。ステレオでないといい音かどうかなかなかわかりません。ですからボリュームは2連ボリュームが良いです。そういえば最近の人はステレオってわかりますかね?昔はオーディオのことをステレオと言ってました、おそらく立体的に聞こえるという意味だと思いますが、レコードの溝は1本なのに左右の音が聞こえるのは当時は不思議でしたね。今もですが・・・。
ヒント
入力はボリュームを通します。10Kや50k、100kなどがありますが僕は50kしか使ったことがないです。それと抵抗の増え方のカーブがAカーブ、Bカーブ、Cカーブなどがあります。ネットによく書いてありますので調べて下さい、オーディオではAカーブを使います。つなぎ方も調べればわかります。
C1;カップリングコンデンサです、これで入力信号の直流成分をカットします。かなり適当でよいと思います。0.1μくらいから10μくらいまでなら何でもいいような気がしますが、気になる人は成書で勉強して下さい。ただここはセラミックコンデンサはあまりよくないようなことがあちこちに書いてあります。僕はフィルムコンデンサを使うことが多いです。安いし。タンタルコンデンサというのもありますが、あれは極性があるので面倒ですね、でも音はいいらしい。ちなみに僕は0.1μのフィルムコンデンサにしました(たくさん持っているので)。
R1とR2;トランジスタ1のバイアスを決めます。決めたバイアス電圧から0.6vを引いた数値がR4にかかり、それでR4を流れる電流が決まります。するとその電流がR3を流れるので、信号がない状態でのR3の電圧降下がきまり、電源電圧からその電圧降下分を引いた電圧がトランジスタ2のバイアス電圧になります。という一連の流れですね。
実際の数値はどうすればよいのかというと、R1とR2は大きければ大きいほど入力インピーダンスが高くなります(入力インピーダンスは素人には難しい概念ですが、常識的に入力インピーダンスは高いほうが効率が良く、出力インピーダンスは低いほうが効率が良い、Low出しhigh受けが良いということは覚えておくとよいでしょう)、ただしあまり大きいとこの抵抗を流れる電流が小さくなりすぎます。こういう電流をフィーダー電流というようですが、ベースに安定的に電流を流すにはベース電流の10倍程度は流れていたほうが良いとある本に書いてありました。
じゃベースの電流はどれくらい流れるんかい?という疑問がわきますね。トランジスタにはhFEというのがあるというのは覚えていますか?トランジスタには固有のhFEがあり、ベース電流のhFE倍の電流がコレクタからエミッタに流れます。ということはベースの電流は先ほどのコレクタ電流の1/hFEの電流が流れるということになります。普通hFEは100とか400というくらいの数字ですので、もしコレクタ電流が1mA流れるのなら1/100で0.01mAから1/400なら0.0025mAとかなり少ない数値になります。その10倍程度を流すということなので、仮にベース電流を0.01mA程度とすると、その10倍は0.1mAになります。電源電圧が6Vなら0.1mA流すためには抵抗は60Kオームになります。これがR1とR2の合成抵抗です。R1+R2=60kオーム あとはR1とR2の比を決めてバイアス電圧を決めます。
R1とR2の比を決めるということは、要はバイアス電圧をどれくらいにするかということです。エミッタ接地増幅回路のエミッタ抵抗とコレクタ抵抗のところで触れましたが、電源電圧からベース電圧を引いた分がコレクタで自由に使える電圧範囲になるので、できればこのベース電圧はあまり高くないほうがコレクタで倍率を稼ぐことができます。しかしあまり低いと今度は入力信号の下振れがひずむ可能性が出てきます。
だいたい入力信号はどれくらいの電圧があるのかというとiPODなどは0.9Vrmsくらいだそうです(ペルケ氏のサイトに書いてありました)。このVrmsというのは信号の実効値で、ピーク-ピーク間電圧の上半分のさらに1/√2です。ということは実際のiPODの出力電圧は0.9x2x1.414=2.54vということになります(ピークピーク値)。しかし下振れや上振れだけに注目すればその半分なので1.27v程度ということになります。下に1.27v振れるということはこれがエミッタ電圧でもそれだけ下振れするので、さらに0.6vたして1.87v程度はベース電圧(バイアス電圧)がないと入力の時点でひずんでしまうということになります。ということはおおむね2vくらいがベース電圧としては良いかなということになりますが、実はそれでは電源が6v程度ではほとんど増幅ができません。それはエミッタ接地増幅回路のところで書きましたが、コレクタ電圧がベース電圧より低くなるとおそらくぐあいが悪いからです。細かくはさらに後で書くことにしますが、ここではエミッタ電圧を1vくらいにしましょう。
それともう一つ、今回の増幅回路を電流帰還型増幅回路ともいうのですが、実はベース・エミッタ間の0.6vは温度によって変化するらしいのです、-2.5mv/℃と成書には書いてあります。つまりトランジスタの温度が上がると0.6vが少し減ってエミッタ電圧が少し上がり、するとエミッタ電流が増えてコレクタ電流も増えするとトランジスタの熱がさらに上がり、ますます0.6vが小さくなりエミッタ電流が増えてを繰り返して熱暴走をするらしいのです。
これを安定させるのがこの電流帰還型回路でエミッタ抵抗での電圧降下は1v以上必要なんだそうです。ここは難しいのでそういうもんだと覚えて下さい。となるとベースバイアスは少なくとも1.6v以上は必要ということになりますので、1.6vにしましょう。しかし抵抗の数値は連続的に何でもあるわけではありませんE12とかE24とかの決まりがあり、秋月のフルセットはE12ですね、これも調べて下さい。抵抗は色分けしてあるのでこれも覚えるしかないです。
ですから6v電源をうまく1.6vと4.4vに分けるちょうどよい抵抗はおそらくないです、しかも足せば60kくらいになるわけですからますます難しいです。だいたいでいいのですが、そのだいたいも意外と難しいですね、2本の抵抗で合成するか、適当にみつくろうかは人それぞれなので、自分で決めて下さい。要はエミッタ電圧が1vくらいになればよいのです、0.8から1.2vくらいなら許せると思います。R1+R2も30kくらいから120kくらいまでの間なら何とかなるんじゃないかと思いますが、それも試してみて下さい。
R3とR4;前の章で書きましたが、このR3/R4がこの初段の増幅回路の増幅率になります。2-3倍になるようにしましょう。まずエミッタ抵抗のR4を決めます。先ほど決めたバイアス電圧の0.6v低い電圧がこの抵抗にかかります。そしたらこの抵抗を流れる電流を決めます。もし1mAにするならR4はVe/Ieの式から決まります。R4が決まれば倍率を3倍にするならR3はR4の3倍ということになりますね。増幅率=Rc/Reでしたね。しかしコレクタで自由にできる電圧は電源電圧からベース電圧を差し引いた分で、その半分にコレクタ抵抗の電圧降下を決めたがよいというのが上で書いた結論です。そうするとすでにベース電圧を決めた時点でコレクタ抵抗の数値もほぼ決まっているようなものです。ですからこっちから逆に電源電圧を決めていくという手もあるかと思います。
乾電池4本で6vなので、今回の回路は6vにしようと思ったのですが、これは自由にして下さい。例えば12v電源ならもっと自由に設計できると思います。6vではなかなか自由にとはいかないし、3倍の利得は無理ですね。ただ2倍程度あればフルボリュームで、かみさんにうるさいと怒られるくらいの音は出ます。ただ電源電圧を変えればR1とR2のバイアス電圧も最初から計算のやり直しになります。この辺りは面白いと言えば面白いところなのでよーく考えて試行錯誤を繰り返して下さい。利得を2倍と割り切ればR3とR4は2kと1kでもよいということになります(簡単ですね、この場合エミッタ電圧が1vなら流れる電流は1mAでコレクタ抵抗で2vの電圧降下があり、コレクタ電圧は4vということになります)。
R5;これは耳を頼りにいろいろつないでみるとよいでしょう。2-3kオームだとちょっとひどい音ですね。下げれば下げるほどよくなりますが、電流がかなり流れてくるので結構熱くなります。10オーム以下はやめたがよいでしょう。抵抗の消費可能ワット数があります、ふつうは1/4ワット程度ですが、1/2ワットなどや1ワットというでかいのもあります、値段も高くなります。今51オームで聞いてますが、そこそこの音で熱くもなりません
C2;直流カットの出力コンデンサです。100μの電解コンデンサでよいと思います。大きければ大きいほど音は良くなるらしいですが、聞いてもよくわかりません、全体のシステムのレベルがもっと上がらないと聞き分けるのは無理ですね。
スピーカーはできれば壊れてもいいようなものをつないで下さい。
電源は間違いがないように乾電池を4本直列にして6v程度にするのが素人には無難です。
iPodなどをつないで、ボリュームを回せば結構いい音でそこそこ大きな音も出るので、ちょっと感動です。よね。でもまだちゃんとしたケースに組み込むほどの完成度はありませんね。
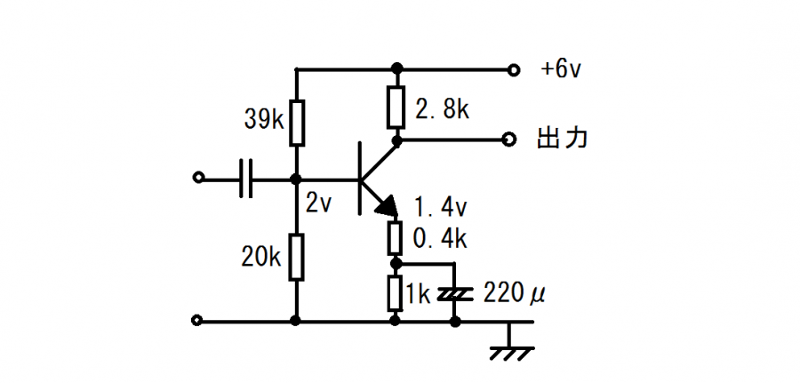
余談;ところで、下のような回路を見られたことはないでしょうか、エミッタ接地増幅で直流成分抵抗と交流成分抵抗を分けてあります。エミッタ抵抗は直流的には1k+0.4k=1.4kですが、交流的には1kの抵抗が220μのコンデンサでバイパスされているので交流成分に対してはエミッタ抵抗は0.4kになります。したがって直流的には利得は2倍ですが、交流的には7倍になっています。これは回路的には安定しているようで、よく教科書には書いてあります。しかし実際のオーディオアンプではあまり採用されてないようです。実際作ってみると音悪いです。というか使えません。昔のトランジスタラジオのような音がします。上で書いたような電源電圧の許容範囲をはるかに超えた利得になっているので、フルボリュームにしたら音はぐちゃぐちゃになります。よいこにはお勧めしません。


