- 2025/07/16
- 院長室
前回の2石のアンプでもそこそこの音はしますが、正直これでずっと聞き続けるのはあまりお勧めではありません、耳ではよくわからなくてもおそらく信号のマイナス側は本来の波形と違っているはずです。ですからその部分を何とか正常な形にできればと思いますよね。実はその方法があるのです。要はプラス側はきれいな波形が出るのですからマイナス側を同じようにできればよいわけです。これが真空管ならそれはできませんが、トランジスタならそれができるのです。トランジスタにはNPN型とPNP型があります。上のエミッタフォロアはNPN型でした。PNP型だと次の図のようになります。

トランジスタをPNP型にして、電源のプラス側にエミッタが抵抗を通してつながれています。トランジスタを流れる電流の流れがNPN型の逆になり、ベース電流もトランジスタから流れ出るような電流になります。この逆方向にはトランジスタの性質上電流は流れません。信号の電圧より0.6v高い電圧がエミッタ側に現れます。信号電圧が高くなる時はその分がコンデンサにチャージされるはずですから、その分の電荷の移動があるので電流が流れて、スピーカーにも電流が流れますが、その時電流はReを通ってくるしかありません(トランジスタ側からは流れてこない)。しかしReには電源電圧から信号電圧+0.6vの電圧を引いた分の電圧がかかっていて、その分の電流が流れるはずです。その電流がベース電流として少し流れ出して、残りがコンデンサにチャージされることになると思います。
すると本来信号電圧が高くなる時はコンデンサにはより多くの電流が流れるはずなのに、Reにかかる電圧は電源電圧と信号電圧との差ですから信号が大きくなるにつれてその電圧差は小さくなり、より少ない電流しか流れなくなります。これでは十分な電流がコンデンサに流れないので、当然スピーカーにはひずんだ信号しか流れないことになるのではないかと思いますが、詳しくはわかりません。
実は僕もPNP型のトランジスタのイメージはなかなか感性でとらえられません。これを書きながらも、よくわからんなーという感じです。ただチャージされた電荷は信号が下がって行く段階ではトランジスタを通ってスムースに流れるのでしょう、これもよくわかりませんが、おそらくNPN型のトランジスタと反対のことが起こっているはずなので、そうなるのではないかと思います。感性でとらえやすいのはNPN型のほうなので、ある程度理解したら、あとはその逆になるんだよ程度でよいかもしれません。真空管ではこの逆の流れというのがあり得ないので、これからお話しするコンプリメンタリプッシュプル回路は実現できないのです。
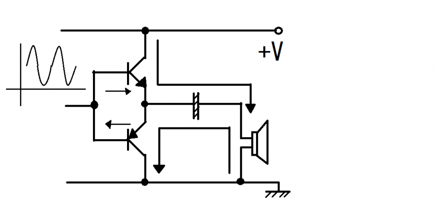
それで察しの良いよいこならもう気づいてますよね。そうですね、信号の上り段階ではNPN型のトランジスタを使って、信号の下り段階ではPNP型のトランジスタをうまく使えればひずみのない電流増幅ができることになります。現実的には次のような回路になります。

NPNとPNPのトランジスタを上下につないだ形です、お互いのReの部分に相手側のトランジスタが入っています。信号電圧が高くなる時はエミッタの電圧も高くなるのでコンデンサをチャージしますから上側のNPN型トランジスタしか働きません、下側のトランジスタはPNP型ですからコンデンサをチャージする方向には電流が流れません。したがって信号が高くなる時は上側のトランジスタのみ作動します、逆に信号が下がってくると今度はコンデンサら放電されますので(コンデンサが電源の代わりになると思えばよいです)、上のトランジスタには電流が流れず、下のPNP型トランジスタのみ作動します。このとき信号電流はベースを通じて上側では流れ込み下側では流れ出します。ということは信号電圧はプラスになったりマイナスになったりしているのかというとそうではありません。ここの電圧はバイアスがかかっていますので常にプラスです。ここがちょっと感性ではわかりにくいところですが、PNP型トランジスタからベースを通して流れ出た電流はそのままこの前の段の回路でアース側に吸収されると考えて下さい。あまり深く考えるとわからなくなります。要はこの回路で、コンデンサを信号の増減に合わせて強力にチャージさせたり放電させたりしているのがエミッタに現れる0.6v差の電圧だと考えて下さい。結局それだけです。
ところで、もしそうならちょっと話がおかしくないかい?と、もしかすると察しがいく超賢いよいこもいるかもしれません。それは何かというと、エミッタに現れる0.6vの電圧です。これは信号電圧よりNPN型トランジスタでは0.6v低い電圧でしたが、PNP型では0.6v高い電圧でしたね。するとこのコンデンサには一体どっちの電圧がかかっているのでしょうか?
ここがカオスになっています。お互いのトランジスタがお互いを強力にけん制し合ってこの0.6vの呪縛から解き放たれないとトランジスタは作動できません。つまりそれぞれ0.6v信号電圧が高くなった時と低くなった時しか働けないのです。ただしこの理屈は僕の独断の感性の理屈なのでおそらく間違ってますが、話は合うので素人の方はこんなとらえ方でよいと思います。もう少しちゃんとわかってきたら成書を読んで理解して下さい(おそらくわからないと思いますが・・)。このときの波形は下の図のようになるそうです(これはどんな本にも載ってます)。

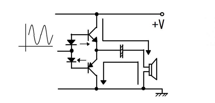
じゃどうするのかというと、信号の流れ込み側と流れ出し側に1.2vの差をつけてやれば解決するみたいです。簡易的にはダイオードの0.6vの差を使います。これはトランジスタのPN接合の部分と同じです、この部分は実は若干ですが温度で0.6vが変化します、ですからダイオードとトランジスタをぴったりくっつけておくとその変化を相殺するようにダイオードが勝手に0.6vを変化させますから都合が良いのです(でもくっつけなくても問題ないですけどね・・)。

こうするとカオスな部分がなくなります。ちょっと気になるのは入力部分は2個のダイオードの真ん中でいいんですかね?という素人の疑問です。でも本にはこう書いてあるのでいいのでしょう。

