- 2025/07/15
- 院長室
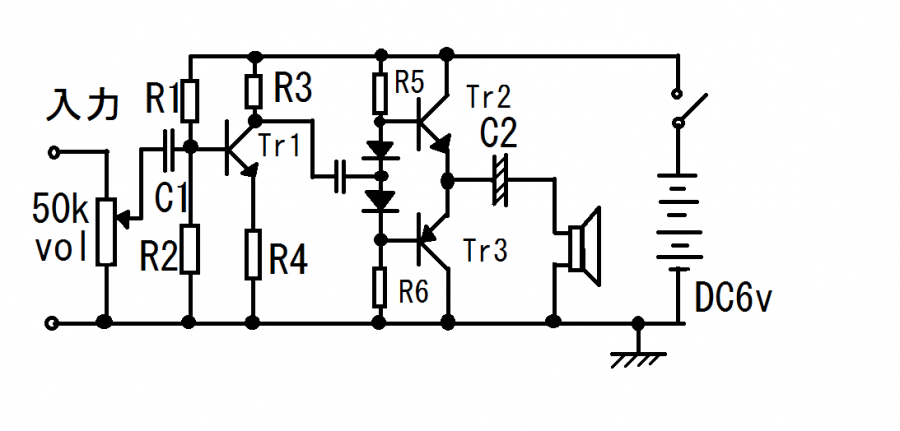
それでは3石のプッシュプルアンプを作りましょう。前段は今までの2石アンプと同じです。

まず上の図のように単純に初段のエミッタ増幅回路とコンプリメンタリP-P(プッシュプル)回路をくっつけてみました。しかしこれでは音が出ませんでした。Tr1のコレクタ電圧が2個のダイオードの間に入って、それがベースバイアスになるはずですが、もしかするとそこがうまく行ってないのかなと思って、本に書いてあるようにバイアスをかけて入力をコンデンサで交流成分だけにしてみました。これなら本に書いてあるので音は出るはずです。

ぶつぶつ音は出ますが、ちゃんとした音は出ませんでした。でもこれは本に書いてあるコンプリメンタリP-P回路そのものなので、音が出ないのはへんです。しばらく本を読んでいて気づきました。フィーダー電流が足りないようです。R5とR6を3kΩずつにしてフィーダー電流を1mAにしていましたが、全然足りないようです。
本に書いてあることをこの回路用に要約してみると、例えば最初の入力信号が0.5Vrmsだとします。これを約2倍に初段で増幅したとすると1Vrmsの電圧が最終的にスピーカーにかかるはずです。1Vrmsは片側のピークではその√2倍(1.414倍)の電圧になるので、約1.4vの電圧になります。これがスピーカーにかかると流れる電流はスピーカーの抵抗が8オームとすると1.414/8=0.18A程度、これは180mAです。これだけの電流がスピーカーに流れるわけです、少なくとも瞬間的には。するとこれがTr2とTr3にそれぞれ行きと帰りで流れることになります。
それではベース電流はどれくらいになるのでしょうか?コレクタ電流はベース電流のhFE倍になるという話を覚えていますか?これはトランジスタの基本性質です。ということはベース電流はコレクタ電流のhFE分の1が流れることになります。hFEは100とか200とかの数値ですが、一般にこの出力回路で使う電力増幅用のトランジスタのhFEはあまり高くなく、せいぜい100程度です。となると1/100の電流がベースに流れます。コレクタ電流が180mAなら1.8mAになります。するとこれはフィーダー電流より多いです。
これでは音が出るはずがないですね。一般にフィーダー電流はベース電流の10倍以上必要なのでここでは20mA程度必要ということになります。でも20mAはちょっと多いのでとりあえず10mAにしてみました。するとR5とR6は300オームずつになります。これである程度音が出るようにはなりましたが、いまいち音がとぎれとぎれです。初段のコレクタ電流が少ないのがいけないかなと思って初段のコレクタ電流も10mAにためしにしてみたところ、そこそこの音が出ました。でも、いまいち音も悪いし、音自体が小さいです。これはよくわかりませんが、この回路の限界なのかなと思います。ま、わからないことはいっぱいありますが、何とかなります。次行きましょう。
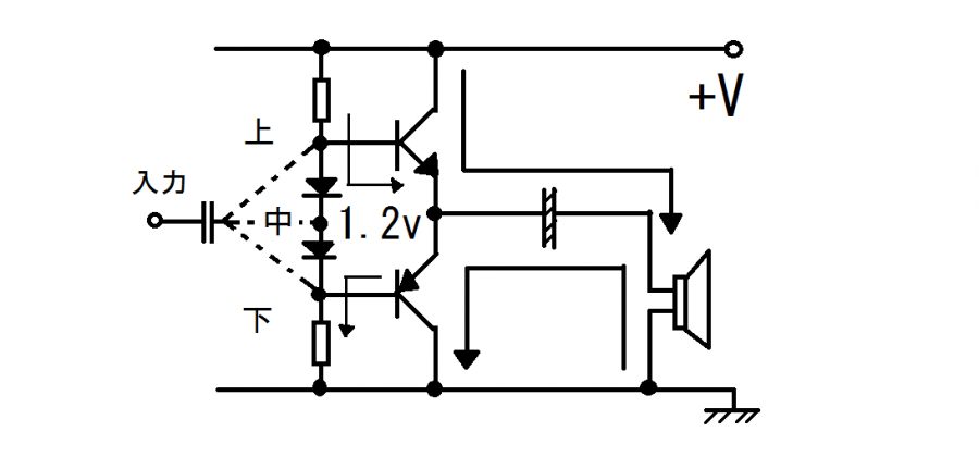
それとちょっと気になっていた、ダイオードの間に信号が入る疑問ですが、これは入力を2個のダイオードの上、真ん中、下につないでみましたが、どれでも同じような音が出ました。ダイオードは電流は流さないが電圧はダイオードを通して同じようにトランジスタにかかっているようです。不思議ですね。

このエミッタフォロア回路は難解です。よく考えると意味不明な部分が結構あります。例えば上のトランジスタから吐き出された電流は当然スピーカー側のコンデンサをチャージしますのでそちら側に流れますが、おそらく下のトランジスタにも流れると思うのです。で、その逆のコンデンサから逆流してくる電流は上のトランジスタには流れないので、やはり行きと帰りで若干違う信号の流れになるような気がするのですが、どうなんでしょうか?。実際に出来上がった回路でこの2個のトランジスタを触ってみると下のトランジスタのほうが熱くなっているように感じます(指で触った感じです、温度は測ってません)。つまり上のトランジスタより電力を消費しているということだと思いますが、よくわかりません。

