- 2025/07/14
- 院長室
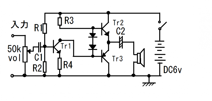
では間のコンデンサを取り払って、面倒なTr2とTr3のバイアス抵抗をなくしましょう。初段のエミッタ接地増幅回路からダイレクトに信号が流れるようにします。これには特殊なやり方があって、もはやこうしかならないので理由は考えても一緒です。ほかの方法はおそらく考えるだけ無駄です。どうするのかというと、二つのダイオードの上下を初段のコレクタ抵抗とコレクタ端子の間に入れるのです。なぜこうしたのか?なぜこうすればいいのか?とにかく考えても無駄というのが僕の結論です。とにかくこうすればびっくりするようないい音が出ます(今までの音に比べれば)。

このとき重要なのは初段のエミッタ接地増幅回路のコレクタ電流を10mA程度に設定することです。この回路の場合必ずしも10mAにしなくても音は出ます(1mAでも音は出るがやはり音はあまりよくない)が、少なくとも3mA以上はあったほうが良いようですが自分なりに実験してみて下さい。とにかくこれはいい音がします。しかも音量も格段に増えます。このアンプは次にお話しする負帰還を使ってません。つまり無帰還です。この「3石無帰還アンプ」の音はというと、悪くないです。正直、スピーカーさえ良ければ結構いい音がするのではないかと思います。ただしこのままでは出力がやや不足します、ボリュームをフルにしてもうるさいというほどの音は出ません(かみさんはうるさいと言いますが・・・)。でも十分聞ける範囲の音の大きさではありますが、もう少し欲しいです。
じゃ、6vの電源でどれくらいまでの音量が可能かなと思って考えてみました。この回路はけっこう音が良いので、ちょっと細かく考えてみましょう。この回路では初段のトランジスタのエミッタに1v程度は必要なので、初段のトランジスタで増幅できる電圧は6-1=5vまでですが、それで上下に振れる信号電圧を増幅するの片側は2.5vまでです。Vrmsは1/√2なので1.414で2.5を割ると1.8Vrms になります。実効値です。すると最大出力PはVrms²/Rなので1.8×1.8/8=0.4wになります。電源が6vならこれ以上にはならないということです(少なくともこの回路では)。
ひずみのない最大出力を取り出すためにはどのように数値を決めればよいのかを考えましょう。その時入力電圧をメインにして考えるか、増幅率をメインにして考えるかで、ちょっと変わってきます。入力電圧が例えばiPODの0.9Vrmsとすると、最終的に1.8Vrmsまでしか増幅できないわけですから、回路の増幅率は1.8 /0.9=2倍までです。これ以上の倍率では最大音量で音がひずむことになります。しかし実際に音楽を聞いてみると最大音量で常に聞いているわけではなく、特にクラシックのオーケストラなどはほとんどが最大音量の1/5以下の音量で、最後のクライマックスでドカンドカンと最大になったりします。ですからその最後の一瞬のために通常の音を小さくしてしまうのはもったいない気もします。最後のクライマックスは多少ひずんでも、どうせわからないからいいやという方にはもうちょっと倍率を重視した回路設定が向いていると思います。3倍くらいまでなら問題ないような気がしますが、この辺は各自の感性によるところが大きいので自分で決めるしかないですね。
倍率を3倍にした場合を考えましょう。エミッタ電圧を1v以上にしてしまうと3倍の倍率は実現できません。さらに下の図を見てみて下さい、これはある本に書いてあったコレクタ電圧の変化できる範囲の図です。コレクタ電圧はエミッタ電圧の動作点(無信号時の電圧)から電源電圧までの間を行き来できるような図です。しかしこうはならないと思うのです。この図にはベース電圧やエミッタ電圧の変化分が考慮されてないですよね。

次の図は僕なりに考えてみた図です。信号電圧に従ってベース電圧が上がればエミッタ電圧も0.6v差で同じように上昇しますが、コレクタでは反転増幅されるのでコレクタ電圧は逆に下がってくるはずです。ということはそれぞの最大値でかなり近いところに来るだろうと考えられます。しかもトランジスタの性質上コレクタ電圧はベース電圧より高くないと逆流現象が起こると思うのです。実際逆流するのかどうかは知りませんが、少なくとも定格の使い方ではありません。となるとコレクタ電圧はベース電圧の最大値より下がることはできないと思います。
この場合の信号入力の上半分の最大振幅がエミッタ電圧に等しいと考えると(つまりそれより大きいと下振れのエミッタ電圧がマイナスになってしまう)、ベース電圧を1.3vとするとエミッタ電圧は1.3-0.6=0.7v この分が最大振幅(上半分もしくは下半分の)になるので、これをベース電圧の1.3vに足した2vの値よりコレクタ電圧は下げられないということになります。となるとコレクタ電圧は6-2=4vの範囲で上下できることになり、動作点はその真ん中の4vのラインになります。上下に2vの振幅が最大ですから、このときの増幅率は2/0.7=約3になります。エミッタ電圧がひずまない最大の入力電圧Vpということになります(エミッタ電圧を0.7vにしたら、それ以上大きなVpではひずみが出てくる)。

これをとりあえず表にしてみました。

この表が何を表すかというと、入力信号の最大振幅(片側 Vpという)が0.6vならエミッタ電圧を0.6vに設定できて、その時のひずみのない最大倍率は3.5倍であるということ。つまり入力信号が0.6Vpを超えればひずんでくるということです。0.6Vpは実効値に直すとその1/√2なので0.4Vrmsになります。なんか結構小さい音のような気がしますが、実際は結構な音になるのでアンプとして使えないことはないです。ということはこの表の上のほうの値を使えば、ボリュームを半分ほど回せばかなりの音になり、それ以上回すとひずむ、下のほうの値を使えば、ボリュームを結構回してもあまりひずまないが、音はあまり大きくならないということになります、よね。どっちでもいっしょと言えば一緒ですが、どっちを取るかはこれまた人それぞれでしょうね。ただちょっと位のひずみは聞いてもわからないので、この設定はあくまでも厳密に考えればということでよいと思います。この辺を無視してちょっと無理した倍率でバイアスを決めてもそれなりに聞けます。
ところでもっとでかい音が欲しい場合は電源を12vくらいにするとよいと思います。その時はまた最適な電圧配分を考えなければなりませんが、自分で考えましょう(このままの設定値で12vをつなぐのは危険なのでよいこはやめて下さいね、ただ設計的にはもっと楽になると思います)。ただ、その場合最後のコンプリメンタリP-Pのトランジスタには0.5オームから1オームくらいのエミッタ抵抗を上下のトランジスタに入れて下さい。そうしないとトランジスタが熱暴走を起こすことがあると本には書いてあります。ほんとは6vでも入れたがよいようです。ためしに入れてみましたが、特に音が小さくなるとは感じませんでした。なので入れたほうが安心でしょう。電源はスイッチング電源が良いと思います、その場合デカップリングに100μから1000μくらいの電解コンデンサを入れたがよいと思います、そして重要なのは必ずヒューズを入れて下さい。何が起こるかわからないので、100vから電源を取るときは必ずヒューズ(0.5A程度)が必要です。それと出力部のコンデンサを決して忘れないようにして下さいね、僕は忘れてヒューズを飛ばしました。

