- 2025/07/12
- 院長室
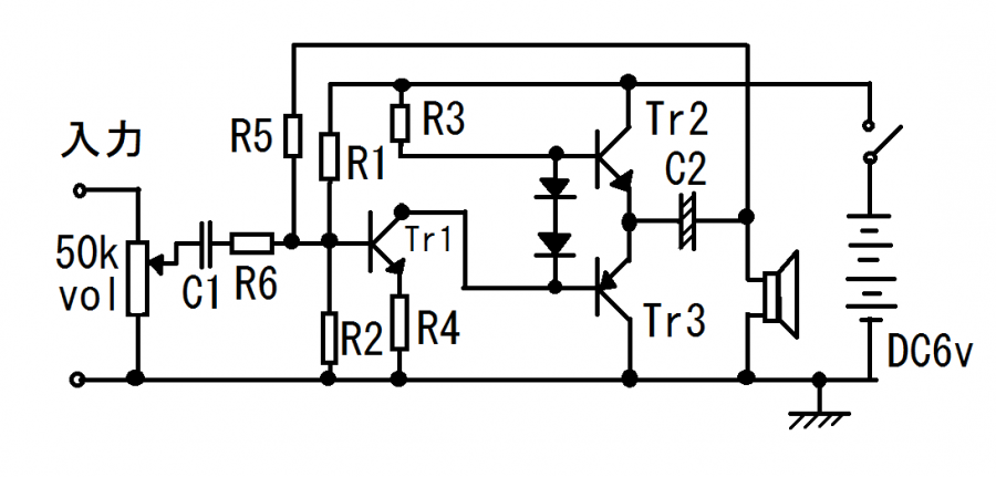
下の図がAC帰還の回路図です。

R5とR6で上の回路のように戻します。R5はわかるのですが、R6の位置はこれでいいんかい?という感じがしますが、これは結局C1を通ってボリュームに流れてアースされていくようです。したがって、細かく言うとこの負帰還はR5とR6とボリュームのアース側の抵抗を足した分で分圧されることになります。つまりβ=(R6+ボリュームのアース側の抵抗)/(R5+R6+ボリュームのアース側の抵抗)ということになるようです。つまりボリュームの位置によって負帰還量が変わることになります。なんかしっくりきませんが、とにかくこうしかできないのでこれで実験しましょう。
フルボリュームにした状態で負帰還間を考えるとボリュームのアース側は50kΩですね。R5を200k、R6を50kにするとさっきの式に入れてβは1/3になります。β=3/10にするのは面倒なので1/3で切り良くしましょう。
バイアスは1vくらいにしましょうか。するとR1=51k、R2=10k でよいはずです。
負帰還をかけない状態での素のアンプの増幅率を5倍程度にするためには、R3をR4の5倍にする必要があります。ここに流れる電流は10mA程度は必要なので、バイアスが1vならエミッタ電圧は0.4vなのでR4=40Ω程度になります。簡単にR3=240Ω、R4=51Ωにします。これでオープンループゲインはだいたい5倍です。
これで全部です。さっそく作ってみましょう。→うーん音が悪い。何で?
思うにコンデンサの後ろから負帰還をかけたので完全な反転信号になってないですよね。最初のほうで書いたと思いますが交流はコンデンサを通すと位相が1/4進みます(書かなかったかな? 中学で習いますよね、確か)、したがって完全に入力信号を打ち消すようには働かないのではないかと思いますが、よくわかりません。しかもこのアンプは負帰還のラインを外してもあまり変わりません、音の大きさも音質もほとんど変化がないような気がします。電圧をいろいろ調べると、負帰還をつないだ時と外した時では結構違うので何らかの働きはしているようですが、聞いてわかるほどではありません。いろいろ考えた挙句にこの回路でちゃんと負帰還をかけるのはとても難しいという結論に至りました。なんせシロートですから、できそうにないことはやめましょう。

