- 2025/07/11
- 院長室
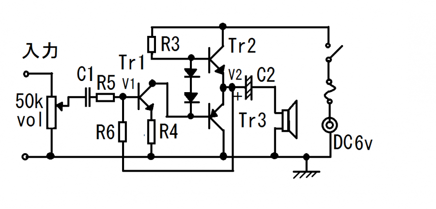
次は先ほどのコンデンサの手前から負帰還をかけるDC帰還の回路を考えてみましょう。この信号には直流成分があり、電圧がかかっています。これをベースに戻せば(そこしか戻せません)、ベースのバイアス電圧は必要なくなるというか、負帰還の電圧がバイアスになってしまいます。

これがDC帰還の回路になりますが(簡単!)、まず初段のバイアス電圧V1と出力段の電圧V2が連動することになります。すると初段のエミッタ電圧はバイアスから0.6v低下した値ですからこれも連動するわけです。R4を流れる電流はエミッタ電圧をR4で割った数値です、それはおおむねR3を流れる電流になり、そこの電圧降下から0.6v低い値が出力電圧になります。すべてが連動して元に戻ります。これは意外と数値を決めるのが面倒そうです。
それでもある程度予想で数値を決めていくことはできます。
まず負帰還抵抗を決めましょう。3倍程度の倍率になるようにR6=200k、R5=50kとするのはAC帰還と同じにしましょう。
次の目標としては出力の電圧V2を電源電圧の中点、つまり3vくらいにするのが良いのではないかと思います。無帰還回路では出力部の電圧は電源電圧からバイアス分を差し引いた分の中点でしたが、負帰還回路ではどういうわけかそこはあまり考えなくてもよいようなのです。これは実は負帰還回路の最大の怪なのです。
負帰還回路はバイアスの縛りから解放される。なぜかは不明。これが僕の導き出した一つの法則です。とにかくこれでアンプの回路設計は格段に簡単(というかアバウト)になります。
ということで、次にR3とR4を決めなければなりません。R3とR4の縛りとしてはAC帰還回路と同じく、ここには10mA以上の電流が必要になりますし、R4はR3の最低でも5倍は必要です。この条件でトライアンドエラーをする必要があるでしょう。とりあえず上と同じ51ΩにしてR3を240Ωにしてみました。すると出力段が4.2vになり、バイアスは約1vになりました。R4にかかる電圧が0.4vになり、流れる電流は0.4/51=0.008A=8mAです。いろいろ試してみると面白いと思います。所詮乾電池で動いてますから壊れても大したことはありませんヨ。
この回路はちゃんと負帰還がかかっているようです、ためしにR3とR4を330と20にして倍率を10倍以上にしてもちゃんと音が出ます、これがもし負帰還がかかってなければぐちゃぐちゃな音になるはずです。
負帰還がちゃんとかかればその間の素のアンプの倍率はどうもあまり関係ないようです。いろいろ本を読んでみると素のアンプの倍率は多ければ多いほど良いというのがどうも常識のようです。実は僕はこの事実に気付くのにずいぶんと時間がかかりました。倍率を上げれば上げるほどぐちゃぐちゃな音になるのだからそれをどんなに負帰還をかけてもよくはならないだろうと思っていました。でもそうではないのです、少なくともトランジスタアンプでは素のアンプの倍率は多ければ多いほどいいらしいです。これがオペアンプというトランジスタアンプの究極の姿のようなアンプではその倍率は事実上無限大として計算されるようです。おそらく数万倍の倍率です。行くところまで行ってしまった感じですね。真空管アンプではそうではありません、その辺が真空管アンプのほうが味があると言われるところかもしれません、トランジスタアンプの音はどれも同じということかなと思います。
そうはいってもトランジスタアンプの音も捨てたもんではありません、上の3石1段増幅アンプの音も悪くはないですが、次の2段増幅アンプと比べるとやはり音に余裕がないというか、なんかの拍子に音がひずんで聞こえることがあります。のびのび感がないというか、悪くはないですが十分ではないです。

