- 2025/07/10
- 院長室
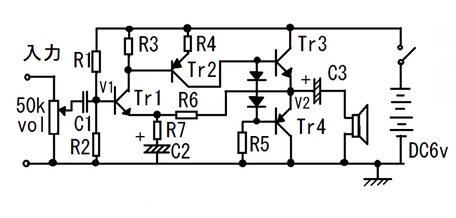
で、次に素のアンプの倍率を1000倍程度にした2段増幅アンプを作ってみましょう。

これが2段増幅の負帰還アンプです。2段目のトランジスタがPNP型になっています。ここでPNP型を使う理由としてはTr1のバイアスが後で説明するように電源電圧の中点より高くなってしまうためです。これは今までにない展開ですね。さっき1段増幅回路で負帰還のバイアスは何でもいいようなことを書きましたが、ついに中点より高くなってしまいました。無帰還回路では考えられなかった展開です。しかし負帰還回路ではこれでいいのです、理由はわかりません。とにかく中点より高くなるので当然Tr2の上側のほうが下側より使える電圧が小さくなります。より効率的に増幅させるためにはTr2の上側をエミッタ側にしてそれを下側のコレクタ側で増幅するのが良いはずです。となるとPNP型トランジスタの出番ということになります、この用途にぴったりです。NPN型トランジスタと電流の流れが逆になるのでシロートにはなかなか理解しにくいPNP型ですが、とにかくこういう使い方ができます。自分なりに考えて下さい。
負帰還はDC帰還で初段のトランジスタのエミッタにつながっています。エミッタに戻すというのはどういうことか?これもややわかりにくいですが、同相の信号をエミッタに戻すとエミッタの基礎的部分がこの信号で上下に振れることになります。したがってベース電圧とエミッタ電圧の揺れの差の分だけがコレクタで増幅されることになるのです。ちょっとわかりにくいですが、図に書くとこんな感じかなと思います。

負帰還抵抗はR6とR7で構成されます。R7の下にC2というコンデンサが入りました。これは実は僕にはよくわからないのですが、ないと音は出ません。だいたい数十マイクロから数百マイクロの電解コンデンサが使われるようです。意味としてはDC成分はそのままエミッタに流れて、交流の信号成分は負帰還抵抗で分圧されてこのコンデンサをと通してアースに流れ、残りがエミッタに流れるという感じかなと思います。
2段目のトランジスタにはバイアス抵抗がありませんが、Tr1のコレクタ電圧がそのままTr2のバイアス電圧になります。これがどれくらいになるかは計算で求めるのは難しいです。R3にどれだけの電流が流れるかで決まるわけですが、Tr1のエミッタはC2でアースから浮いているので、流れる電流は出力段側に吸い込まれてしまいます。これではどれだけ流れるかわかりません。そしたらTr2のR4とT5も決められないじゃないかと思われるかもしれませんが、それがそうでもなくて、R3の電圧降下はなるようになるさで構わない感じです。それでいいのか?という気もしますが、これが負帰還回路の寛容性の部分なのです(と勝手に解釈していますが)。負帰還回路はいろんなものを吸収して平衡にもっていってくれる回路なのです(ほんとかい?)。まー、とにかく騙されたと思って作ってみて下さい。へーこんなんでいいの!と思いますよ。
あとは今までと同じです。初段で10倍程度に大きくして2段目で100倍くらいにできればいいなと思います。やはり初段のほうが何かと制約があります、2段目は格段に制約が減りますから結構自由に倍率を組めます。
ここでなんでこの回路じゃないといけないのか?という疑問を持ったりしてはいけません、例えばTr2をNPN型で組んでみる手もありだとは思いますが、すると初段と2段がNPN型になるのでちょっと電圧配分がやりにくくなると思います。どうしてもこのお仕着せの回路がいやという人はそういうのも考えてみるのもいいと思います。
負帰還はエミッタ以外には戻せませんね。同相信号になるのでベースには戻せません、2段目のベースになら戻せますがそれでは中途半端な負帰還になりますよね。やはり負帰還は最後から最初に戻さないと意味がないと思います。
では数値決めに取り掛かりましょう。目標としては最後の出力段の電圧V2を電源電圧の中点の3v程度になるようにしたいですね。この回路をよく見てみると、初段のバイアス電圧から0.6v低い電圧が初段のエミッタにかかってきて、それがR6を介して出力段に直接つながっています。R6での電圧降下をαvとして計算式を書くと
V2=V1-0.6-α
という式になりそうです。これだと負帰還が逆に流れていることになりますが、これはどっちに流れても一緒です(深く考えてはいけません)。おそらくこのαは大した電圧降下にはならないと思うので、V1はだいたい3vより少し高いくらいにすればいいのではないかと思います。4vくらいにしましょうか。
するとR1とR2の値がおおむね決まります。第2章のところで書いたと思いますが、ここのフィーダー電流としては0.1mA程度は流れてほしいのでR1+R2<60kくらいが良いでしょう。するとR1=20k、R2=39k程度でよいということになります。
次に負帰還抵抗を決めましょう。負帰還率を1/5くらいにしましょうか。するとアンプの全体の倍率は約5倍ということになります。十分でしょう。R6=3.9k、R7=1kにしましょうか。
このR7がTr1のエミッタ抵抗になると思いますので、ここで10倍の倍率にするにはR3=10kにする必要があります。
R4とR5はここに流れる電流が10mA以上必要です。出力部が約3vとすると、R5にはそこから0.6v下がった電圧の2.4vがかかるはずです。よってR5は250Ω以下ということになります。240Ωにしましょうか。R4はその1/100なので2.4vですが、そのような抵抗は持ってないので1オームを2個つないで2Ωにしてみました。
C1=0.1μ、C2=C3=100μにしてます。
さてどんな音になるでしょうか→うーん、これは良い。全く問題ない音です。ボリュームをフルにするとバカでかい音でかなりひずみますが、常識的な音ならかなりいい音です。なんか、これで十分かなとも思いますが、やはり一般的にトランジスタアンプというと差動回路です。これは非常に安定した回路で、熱にも強くとにかく負帰還がかけやすいという特徴があります。本来シロートは作動アンプにするべきではないかと思います。設計もわかりやすいです、カオスな部分がほとんどありません。

