- 2025/07/09
- 院長室
ということでいよいよトランジスタアンプの最終章として差動アンプを設計してみましょう。正直これで決まりです。アンプが単細胞生物から無脊椎動物くらいまでは進化した感じがします。
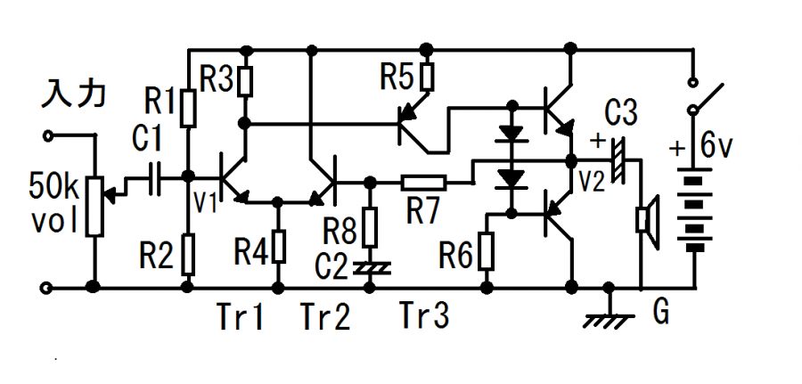
これが差動アンプです。

トランジスタが1個増えました。Tr1に向かい合ってもう1個のトランジスタがありますね。どちらもNPN型です。これが差動回路です。とても不思議な回路です。2個で1個の働きをします。シロートはとにかく2個で1個の働きしかないと考えておけばよいですが、重要な点は両方のトランジスタがちょうど反対の動きをするということです。つまりTr1の電流が増えればTr2の電流が減ります。そして流れる電流は二つ合わせるといつも一緒になります。つまりR4を流れる電流はいつも一緒です。これはふつうは定電流回路という特殊な回路が使われることが多いですが、抵抗1本でも同じ働きがあるということで、1本で済ませてあることがよくあります。今回も抵抗1本にしました、定電流回路は面倒なので。
差動回路は熱に対して非常に安定だそうです、理由は本に書いてあります。興味のある人は読んで下さい。おそらく片方が熱で暴走しようとしたらもう片方も同じく暴走しようとして、お互いにけん制して安定するのではないかと、毒を以て毒を制す感じかと思います。とにかく二つ合わせて同じ電流しか流れないわけですから片方だけ暴走することはできないということでしょう・・・か?
もう一つ差動回路には重要な性質があります、これが差動の差動たるところなのですが、左右のトランジスタの入力の差が増幅されるという性質です。これもいろんな本にいろいろ説明してあります。とにかく左右に同じ信号が入力されれば差がないのでなにも増幅されません、逆の信号が入力されれば2倍になります。今回は右側のトランジスタに同相の負帰還信号がかかりますから、その分が差し引かれて増幅されることになります。とにかくそういうもんだと考えれば非常にわかりやすいというか使いやすい回路です。
それともう一つ見逃しがちな特徴があります、それはR4は定電流回路の代わりであってエミッタ抵抗ではないということです。これはどういうことかというと、この差動回路のエミッタは事実上そのままアースされているということらしいのです、詳細は成書を読んで下さい、とにかくエミッタ抵抗がないのです、つまりこの場合コレクタにどんな抵抗をつなごうともhFE倍の倍率になるということです。一つ前の2段増幅回路では初段では10倍の増幅しかできませんでした(もう少しできるとは思いますが・・)、しかしこの回路ではいきなり400倍程度の倍率になるのです。2段目を100倍にしたら4万倍になります、もうこれはオペアンプの領域ですね。ま、そこまで欲張らなくても十分な倍率が簡単に設計できるということになります。
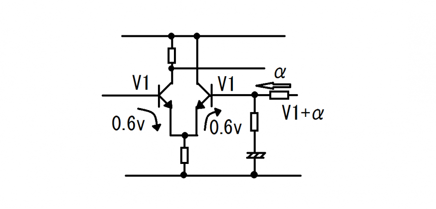
それでは実際の数値決めに入りましょう。まず最初の目標は前のアンプと同じく出力段の電圧V2を電源電圧の中点の3v程度にしたいと思います。この回路をまたまたしっかり見て下さい。Tr1のバイアスは0.6v下がってTr2のエミッタに直接つながります、するとTr2のベース電圧はそれより0.6v上がって元のTr1のバイアス電圧と同じになります。その後のR7での電圧降下αvはおそらくわずかと思われますから初段バイアスのV1と出力段のV2がほぼ同じ電圧になるということになります。これって簡単ですよね!これが差動回路が負帰還をかけやすい理由です。計算をほとんどしなくてよいのです。ということでR1とR2は同じでよいと思います、30kと30kにしましょう。簡単ですね。

次に定電流回路のR4ですが、どれくらいを流せばよいのかはよく知りませんが本には0.3mA程度でよいと書いてありました。この場合バイアスを3.0vにしましたので3-0.6=2.4vになりますから、1mA流すなら2.4kですね、0.3mAなら8kになります。2.4kで設計してみます。
R3は倍率に関してはもはやどうやってもhFE倍になるので縛りはないです、R3の電圧降下が2段目のTr3のバイアス電圧になります。R3を流れる電流はR4を流れる電流の半分になります(無信号時)、この場合はR4の電流を1mAにしたので、半分の0.5mAです。R3の電圧降下を1vにするとR4=2kΩになりますね。この1vが次のTr3のバイアスになります。R4を小さくしずぎるとTr3に十分なバイアスがかからなくなるので動かなくなります。逆に大きくする分には問題ないようです。ためしに10kや51kの抵抗に変えてみましたが問題ないです。つまり2段目のバイアスもある程度あればどうでもよいということのようです。
次に2段目のトランジスタのエミッタ抵抗R5を決めましょう。バイアスが6-1=5vになります。これがエミッタ電圧になるときはPNP型なので0.6v上がることになるので5.6vです。つまりR5には0.4vの電圧がかかることになります。ここには毎度おなじみの10mA以上の電流が欲しいので、40Ω以下が良いです。でもできればTr3の倍率も100倍くらいはほしいです。R5を40オームにしたとします、するとR6はその100倍の4kになってしまいます。これではとても10mAを流す事はできません。逆にR6から考えましょう。出力部の電圧が3vとすると、R6には0.6v下がって2.4vがかかることになります。10mA以上流すためにはR6は250Ω以下です。よってR6=240Ωにしましょう。するとR5はその1/100の2.4Ωになります、これも前の4石負帰還アンプ同様2Ωにしましょう。
最後のR7とR8ですが、これで負帰還量が決まります。やはり1/5にしましょう(電源が6vなのでこれ以下では倍率が高くなり過ぎるでしょう おそらく)。よってR7=3.9k、R8=1.0kくらいにしましょう。
コンデンサは前の2段増幅回路と同じです。
さてどんな音になったでしょうか。→うん、これはいい。やっぱりいい。十分です。音量も申し分ありません。フルボリュームでも特にひずみは感じません(でかい音なのでちょっとしか聞いてませんが)。乾電池4個でここまでの音が出れば十分すぎます。
これ以上は本当に趣味中の趣味の世界です。ただちょっと問題があるのはスイッチを入れたり切ったりするときのバフッというポップ音が結構でかいです。実用的ではありませんね。もちろんこれは実用的なアンプではなく勉強のために作るアンプなのでこれはこれでいいと思いますが、やはりポップ音はないほうが良いですよね。どうすればいいか?いろいろあると思いますが、どうやってもそれなりに面倒です。両電源化するとポップ音はなぜか小さくなります。音もよくなるかもしれません、せっかくなので最後に両電源化して終わりにしましょう。問題は両電源をどうやって手に入れるかです。実用的ではありませんが、今回は乾電池4個で動くアンプを作っているので、2個ずつの両電源にしましょう。単3電池4本を入れているバッテリーケースの真ん中からアース用の線を引いてくるだけです、スイッチが両方いっぺんに切れないと片側が流れ続けますので注意して下さい。

