- 2025/07/27
- 院長室
アンプ作りの基礎
素人と言ってもある程度の電気的知識がないとおそらく無理です、どの程度あればよいかというあたりを考えてみます。中学1年程度の理科のレベルですが、感性でアンプを作ろうと考える人間にはやはりめんどくさいハードルになります。しかしここは何とか乗り越えて下さい。
オームの法則
これを超える法則は知らなくてよいと思います。I=E/Rです。これだけです。理由は考える必要もないし、考えたこともありません。
並列の法則
並列に法則もなにもありませんが、僕流の法則があります。まず直列と並列ですね。これも中学の教科書に出てきました。オームの法則の次に大事な考え方です。直列につないだ抵抗の特徴はそれぞれの抵抗を流れる電流は同じということです。並列につないだ抵抗にはそれぞれに同じ電圧がかかります。この二つ特に並列の考え方は超重要ポイントです。そんなことは知っていると言わずに、ぜひ頭の中で整理しておいて下さい。
![]() |
![]() |
抵抗を直列につなげばそれぞれの抵抗値を足せば全抵抗値が出ます、これは簡単ですね。問題は並列です、同じ抵抗値の抵抗を並列につなげば合わせた抵抗は半分になります。これはオームの法則をあてはめながら考えると納得できます。並列の場合は両方の抵抗に同じ電圧がかかります(上記)。したがってこの2本には(抵抗が同じなので)同じ電流が流れることになり、電流は1本の場合の2倍になります(当たり前ですね)。電流が2倍になったので、全体の抵抗を考えるとオームの法則を変形してR=E/IなのでIが2倍なら抵抗は半分です。
それでは違う抵抗値の抵抗を並列につないだらどうなるでしょうか?これも中学の教科書に出てきます。オームの法則でR1とR2に流れる電流I1とI2は電圧が同じEなのでI1=E/R1でI2=E/R2です。全体の抵抗を流れる電流IはI1+I2になりますから、全体の抵抗値Rはオームの法則からE/(I1+I2)ということになります。これに先ほどのI1=E/R1とI2=E/R2を導入すると、R=E/(E/R1+E/R2)となり、上下をEで割ればR=1/(1/R1+1/R2)ですね。これをさらに変形するとR=R1・R2/(R1+R2)となります。中学の理科を思い出しましたか?
だからどうしたと言われそうですが、まあいくら感性でアンプを作ると言ってもこれくらいの計算はやはり必要になるかなというところです。ただしこれ以上の計算は(感性のアンプ作りには)必要ありません。
そして次に極めて重要な考え方をお教えしましょう。これは長いこと僕を苦しめていた電気回路の悪魔の退治の仕方です。

まず上の平行と直列の抵抗の図を見て下さい。この合成抵抗はどうなるでしょうか?簡単ですよね、上に書いたように順を追って計算していけばよいのです(いちいちしませんが)。

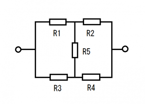
じゃ次にこの上の図を見て下さい。直列の抵抗の間に1本抵抗R5を橋渡しします。さてこの回路の合成抵抗はどうなるでしょうか?これが僕を苦しめた電気回路の怪です。これは解けます。どうやって解くのかは忘れましたが、大学の電子回路の本の最初のころに出てきて、僕はそこですでに挫折してしまったことを覚えています。とにかく解けるのですが、難しいです。いちいちこんなもん解いてられません。で、なんでこんなものをもって来たのかというと、電子回路はまさにこういうものの組み合わせなのです、どこか1個が変われば全体の電気の流れは変わるのです。だからアンプなんか設計できるはずがないと思っていました。
しかし(最近の)あるとき結構アバウトなアンプの設計の本を読んだのです。それでハッと気づきました。上の図の抵抗の組み合わせの中の橋渡しの分の抵抗(R5)をある程度大きい値にしたとします。そうするとそこに流れる電流は当然少しです、ほかの抵抗に比べて十分大きな値の抵抗を選んで、流れる電流をおおむねほかの電流の1/10以下にしてやれば、ここを流れる電流を無視しても全体としてはそれほど大きな間違いはないということです。そのようなことがその本の中には随所に出てきて、なるほど、そうやって考えていたのか。と目から鱗でした。それから、「だったら俺にだってできる」的な考えでいろいろ感性に従ってアンプを作り始めました。試行錯誤でですが、今まで書いた基本を貫けば解けない謎はかなり減りました(ありますけど・・)。これが僕流の並列の法則です。



