- 2025/07/25
- 院長室
トランジスタの3大増幅回路
トランジスタの本を開けると、まず最初に3つの増幅回路の説明から始まります。このエミッタ接地増幅回路と、コレクタ接地増幅回路、ベース接地増幅回路です。だいたい初心者でトランジスタの本を開いたらおそらく半分程度の人はここですでに挫折していると思います。エミッタ接地増幅回路はまだ感性でわかる部分があるのですが、コレクタ接地やベース接地は感性ではわかりにくいし、ベース接地などはどう見てもベースが接地されているようには見えません。それでも何とか読み込んでいくとベース接地増幅回路は高周波増幅に強いらしく、アンプではカスコード回路というところで出てきますが、こういう難しい回路は感性のアンプづくりでは使用しません、そもそも感性に訴えかけるものがありません。なので飛ばします。使わなくても何とかなります。
コレクタ接地増幅回路
コレクタ接地もあまり感性に訴えないので飛ばしましょう・・・とはいきません。これはまたの名をエミッタフォロワ回路と言って、アンプの出力回路にはなくてはならない、超重要な回路なのです、しかしわかりづらい。感性に訴えかけない癖に重要なので困ります。仕方がないのでこれはこんなもんだということで、既成の事実として受け入れましょう。大学で数学を勉強していた時にある学者が微積が虚数であわされることを発見しましたが、当時理論的根拠が確立してないと批判された時「君たちは食べ物の組成と代謝過程がわからなければ食べないというのか?」と反論したというくだりがあり、この難解な数学の本のそこだけが僕の頭に残ったという情けない過去が思い出されます。とにかくわからなくても使えるのです。ある程度の割り切りは感性のアンプづくりには必要です。
接地って知ってますか?
ところで接地って知ってますよね?アースするとも言いますが、冷蔵庫や洗濯機、電子レンジなどはちゃんとアースするように注意書きがあると思います。本来なら土に穴を掘って、そこに鉄の杭を埋めて余分な電気を地面に流すような仕組みが必要で、そうしないと状況によっては人が感電してしまったり、機械が壊れたりすることがあるのではないかと思います。
確か電子工学科で強電(高電圧を扱う)を勉強したときは結構やかましく言われたような気がします。アンプなどの弱電では感電することはあんまりないですが、本来ならちゃんとアースできるようなコンセントが必要なのかもしれません、家庭用のコンセントにはちゃんとしたアースはないと思いますが、病院などのコンセントは三口になっていてそのうちの一つはアースになっています。しかし地面に電気が流れるというのも感性ではわかるような気がしますが、理屈では理解しがたいです。
結局家庭ではいちいちアースを地面に流す事はできないのですが、実際にはアンプなどのアースもしくは接地は、シャーシ(アンプの入れ物)につないでしまうことを意味します。なんでシャーシでいいのかはよくわかりませんが、シャーシの電位を回路中の0vと同じ電位にしておかないと、人間の手が触れた時などに回路の脆弱部分に不必要な電流の渦ができたりするのではないかと思います、とにかくアースをうまくとらないと何かと妙なノイズに悩まされます。しかも僕の印象ではシャーシはそこそこ穴が開いていたほうがノイズが少ないような気がするのですが、気のせいかもしれません。アースというのはとてもデリケートで意味不明で、お手上げ状態になることが多いです。どうやればいいという鉄則のようなものもあるようなないようなで、やっぱり難しいとしか言いようがないですね。でも簡単なアンプならそれほど神経質にならなくてもうまく行くことが多いので大丈夫ですヨ。
エミッタ接地増幅回路
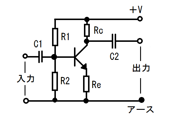
それでは本題です。次の図を見て下さい、電流帰還形増幅回路(名前の由来はたぶん後で説明します)というエミッタ接地の増幅回路で、トランジスタの増幅回路はほぼこれで決まりという感じの回路です。つまりこの回路を(感性で)理解できれば通常のアンプの初段と2段目までは設計できるということになります。僕のわかる範囲で解説します。
![]() |
![]() |
回路図の記号はネットで調べればすぐわかりますが、ある程度書いておきますネ。
まず入力ですが、ふつうは1V以下の電圧の信号が入ってくると思います、そこには直流成分が混じっている可能性があるので最初にカップリングコンデンサC1というのが入っています。これがないと前の段の出力に直流成分があったときバチッという音がスイッチを入れた瞬間にします(間違えてやったことがありますが、かなりひどい音がします)。怖いので必ず入れるようにしています。
で、このカップリングコンデンサの数値ですが、これは完全に感性で決めています。もちろんこれを決める数式はありますが、僕の苦手なインピーダンスを計算しなくてはいけません。インピーダンスの計算は本を読めばそれほど難しいことではないようですが、どうにも感性に訴えてきません。エミッタ接地の場合はベースバイアス(この図ではR1とR2)の2本の抵抗の並列値がおそらく入力インピーダンスということになると思います(なんで並列なんや?と思いますよね、これは感性では理解しがたいですが、そうなるようです、結局V+とアースはつながっていると考えるようです)が、めんどくさいのであまり計算したことはありません。で適当にコンデンサを入れ替えたりして決めていますが、感覚的には0.1μF以上あれば問題ないようです。あんまり大きくなるとまたバチッという音がしそうなので、大きくても10μFくらいまでかなと思ってます。いちいち計算しても結局カットオフの周波数が5ヘルツだの10ヘルツだのという現実離れした数字なので、意味ないかなと思います。そんな周波数はうちのスピーカー(自作)では再生できません。
次に先ほどのR1とR2ですが、これがくせ者です。これはベースにバイアス電圧をかけるために必要です。バイアスって何でしょう?これは入力信号に電圧をかけてちょっとだけプラスにしたり、もしくはちょっとだけマイナスにしたりすることのようですね。これからちょっとトランジスタを理解するためにいくつかの呪文のような言葉が出てきます、最初はそれこそこんなもんだと割り切って覚えてしまったがよいでしょう。バイアス電圧を説明するためにはトランジスタの働きを最初から説明する必要があります。それは僕にはできませんし、あまり感性にも訴えるものでもありません。ただ簡単にトランジスタの働きを知る必要はあります。あくまで感性に従って理解できれば良いと思います。感性に従えば真空管のほうがわかりやすいです。しかしここはトランジスタなので、難しいですがここも乗り越える必要があります。というかおそらく感性のアンプづくりのきもの部分だと思います。頑張りましょう。



